首页 > 商城 > 车床附件 > VDI固定刀座
查看大图
×
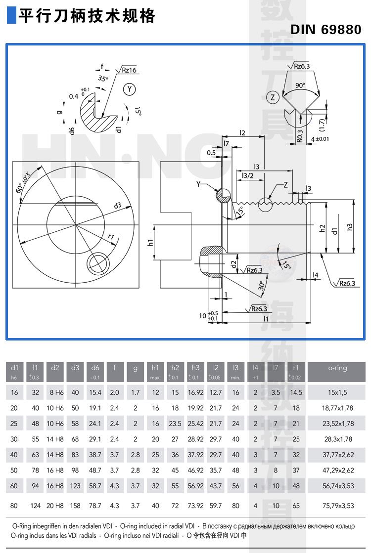
海纳VDI30-VER16M加长微量伸缩攻牙刀柄DIN69880车刀座

海纳VDI30-VER16M加长微量伸缩攻牙刀柄DIN69880车刀座

配送
包邮
发货/售后
该商品由西安海纳精密机械有限公司 发货并提供售后服务
  • 销量 0
  • 商品评价 0
  • 已有 232 人关注
型号
数量
-
+
库存100
立即购买加入购物车

扫码手机查看

    扫一扫手机查看

 

关注海纳微信公众号,获取更多最新产品及优惠信息

 
  • 电话咨询
  • 14729292929
扫码微信联系客服